金百博

金百博·(中国区)有限公司官网
金百博·(中国区)有限公司官网

旋转讨论

首页 - 产品展示

金百博·(中国区)有限公司官网

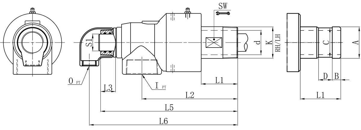
MXPH型 双通路(内管旋转式)

型号:MXPH
外管:螺纹或法兰
特征:平面式密封设计;;; 标准浸锑或碳石墨密封手艺;;; 平衡式非金属组合摩擦设计或平衡式非金属摩擦副设计;;; 单弹簧设计;;; 自支持式设计;;; 双轴承间距支持;;; 铜合金壳体;;; 单通路和双通路设计;;; 低扭矩。。。。

手艺参数:
适用介质 水、油
最高温度 ≤120℃(水)、≤260℃(油)
最高压力 ≤1.0MPa
最高转速 ≤1500rpm

产品咨询 返回列表

销售效劳热线:

0595-8686 1188

金百博·(中国区)有限公司官网


Model K I O S S1 d L1 L2 L3 L5 L6 SW 法兰式外管尺寸比照表
A B C D
50A R2" Rp2” Rc1" Rp1” 32 46 69 181 25 261 285 57 60 16 57 24

如属规格品外 ,,,,本公司可配合要求制作。。。。
规格尺寸若有修改 ,,,,恕不另行通知。。。。 

Copyright ?金百博 版权所有 闽ICP备05026600号 中机标准化研究院 网站建设:科伟网络

【网站地图】【sitemap】