金百博

金百博·(中国区)有限公司官网
金百博·(中国区)有限公司官网

旋转讨论

首页 - 产品展示

金百博·(中国区)有限公司官网

915型旋转讨论

型号:915
外管:螺纹或法兰
特征:反球面密封;;;;; 标准碳石墨密封手艺;;;;; 密封结构外置设计;;;;; 细密铸件设计;;;;; 分体式设计;;;;; 可自动调心;;;;; 密封磨损刻度线,,,, ,可预防性维护设计;;;;; 偏摆顺应性强;;;;; 适用于高速。。

手艺参数:
适用介质 蒸汽
最高温度 ≤235℃
最高压力 ≤2.0MPa
最高转速 ≤400rpm

产品咨询 返回列表

销售效劳热线:

0595-8686 1188

金百博·(中国区)有限公司官网


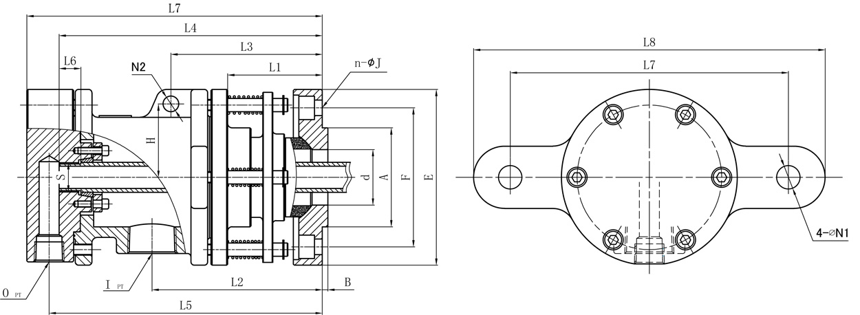
Model A B I O d E F S L1 L2 L3 L4 L5 L6 L7 L8 n-ΦJ N1 N2 H
40A 89 5 Rc1-1/4" Rc3/4" 50 158 125 Rp3/4" 85 153 136 236 245 20 250 326 4-Φ14 21 14 66

除以上规格品外,,,, ,本公司可凭证用户要求特殊定制;;;;;

规格尺寸若有改动,,,, ,恕不另行通知。。

Copyright ?金百博 版权所有 闽ICP备05026600号 中机标准化研究院 网站建设:科伟网络

【网站地图】【sitemap】