金百博

金百博·(中国区)有限公司官网
金百博·(中国区)有限公司官网

Rotary Joint

Home - Products

金百博·(中国区)有限公司官网

YJ2 Rotary Joint (Fixed)

Model:YJ2SG、YJ2SGF
Outer pipe:Thread connection or flange connection
Feature:Spherical seal design; Standard carbon graphite sealing technology; Multiple widely spaced graphite bearing support; Precision cast iron shell; Mono-flow and dual-flow design; Automatic centering; Surface treatment of the rotating shaft for abrasion resistance; and corrosion resistance; Preventive maintenance design with sealing abrasion scale line; Strong deflection adaptability.

Technical Parameter:
Media Hot Oil、Steam
Max.Temperature ≤300℃(Hot Oil)、≤220℃(Steam)
Max.Pressure ≤1.8MPa
Max.Speed ≤200rpm

Product consultation Back to list

Sales Service Hotline:

0595-8686 1188

金百博·(中国区)有限公司官网


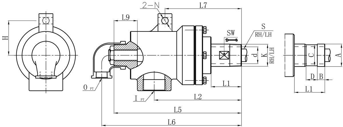
Model K I O S d L1 L2 L5 L6 L7 L9 N H SW Flange outer tube size control table
A B C D
20A R3/4" Rc3/4" Rc1/2" Rp1/4" 18 49 141 197 210 127 40 10 56 24 26 11 24 16
25A R1" Rc3/4" Rc1/2" Rp3/8" 23.5 54 149 210 222 131 40 12 60 32 34 12 32 18
32A R1-1/4” Rc1" Rc1/2" Rp1/2" 30 57 161 239 253 140 48 14 68 39 40 13 38 20
40A R1-1/2” Rc1-1/4" Rc3/4" Rp3/4" 36 67 186 272 292 163 50 14 74 45 47.8 13 45 20
50A R2” Rc1-1/2" Rc1" Rp1" 45 72 212 290 310 170 46 14 97 58 60 16 57 24

We offer customized products if special sizes.
Specifications are subject to change without notice.

Copyright ?Fujian Minxuan Technology Co., Ltd. all rights reserved 闽ICP备05026600号 中机标准化研究院 BY:KEW

【网站地图】【sitemap】