金百博

金百博·(中国区)有限公司官网
金百博·(中国区)有限公司官网

Rotary Joint

Home - Products

金百博·(中国区)有限公司官网

MXQ Rotary Joint (Fixed)

Model:MXQ
Outer pipe:Thread connection or flange connection
Feature:Spherical seal design; Standard antimony or carbon graphite seal technology; Renewable seal plate; carbon guide separation; Improved joint and syphon support; Rotary or stationary siphon compatibility.

Technical Parameter:
Media Hot oil、Steam
Max.Temperature ≤350℃ (Hot oil)、≤220℃ (Steam)
Max.Pressure ≤1.8MPa
Max.Speed 20A-80A≤250rpm; 90A-150A≤100rpm

Product consultation Back to list

Sales Service Hotline:

0595-8686 1188

金百博·(中国区)有限公司官网


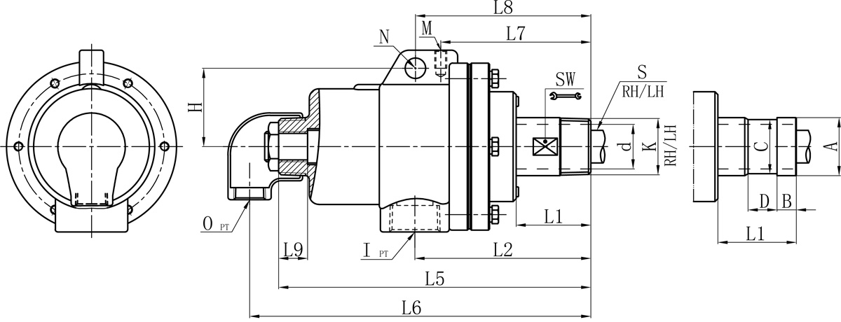
Model K I O S d L1 L2 L5 L6 L7 L8 L9 M N H SW Flange outer tube size control table
A B C D
20A R3/4" Rc3/4" Rc1/2" Rp1/4" 18 46 104 182 199 96 / 29 M10 / / 24 26 11 24 16
25A R1" Rc3/4" Rc1/2" Rp3/8" 23.5 51 110 195 210 109 / 30 M10 / / 32 34 12 32 18
32A R1-1/4" Rc1" Rc1/2" Rp1/2" 30 51 122 222 238 108 124 23 M10 14 60 41 40 13 38 20
40A R1-1/2" Rc1-1/4" Rc3/4" Rp3/4" 36 62 143 254 278 133 149 22 M10 16 71 46 47.8 13 45 20
50A R2" Rc1-1/2" Rc1" Rp1" 45 71 161 295 312 150 173 45 M12 18 81 55 60 16 57 24
65A R2-1/2" Rc2" Rc1-1/4" Rp1-1/4" 58 76 178 333 357 157 183 58 M12 20 91 70 74 19 70 24
80A R3" Rc2-1/2" Rc1-1/2" Rc1-1/2" 72 81 264 398 424 187 214 52 M12 20 110 85 87 25 84 24

We offer customized products if special sizes.
Specifications are subject to change without notice.

Copyright ?Fujian Minxuan Technology Co., Ltd. all rights reserved 闽ICP备05026600号 中机标准化研究院 BY:KEW

【网站地图】【sitemap】