金百博

金百博·(中国区)有限公司官网
金百博·(中国区)有限公司官网

Rotary Joint

Home - Products

金百博·(中国区)有限公司官网

TX Rotary Joint

Model:TXSX、TXSXF
Outer pipe:Thread connection or flange connection
Feature:Spherical seal design; Tube go by special treatment; Two internal support guides; Maximum carbon guide separation; Renewable seal plate;

Technical Parameter:
Media Steam
Max.Temperature ≤220℃
Max.Pressure ≤1.8MPa
Max.Speed ≤200rpm

Product consultation Back to list

Sales Service Hotline:

0595-8686 1188

金百博·(中国区)有限公司官网


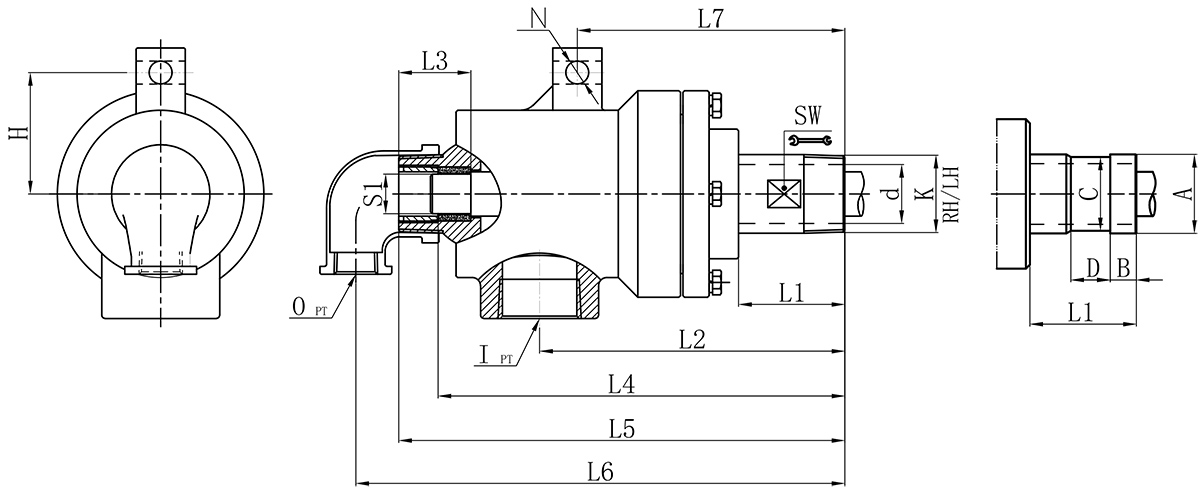
Model K I O S1 d L1 L2 L3 L4 L5 L6 L7 L9 N H SW 法兰式外管尺寸比照表
A B C D
20A R3/4" Rc3/4" Rc1/2" 12 18 49 141 30 193 197 210 127 40 10 56 24 26 11 24 16
25A R1" Rc3/4" Rc1/2" 16 23.5 54 149 30 204 210 222 131 40 12 60 32 34 12 32 18
32A R1-1/4” Rc1" Rc1/2" 20 30 57 161 20 216 239 253 140 48 14 68 39 40 13 38 20
40A R1-1/2” Rc1-1/4" Rc3/4" 25 36 67 186 20 249 272 292 163 50 14 74 45 47.8 13 45 20
50 R2” Rc1-1/2" Rc1" 32 45 72 212 16 268 290 310 170 46 14 97 58 60 16 57 24

如属规格品外,,,本公司可配合要求制作。。。
规格尺寸若有修改,,,恕不另行通知。。。 

Copyright ?Fujian Minxuan Technology Co., Ltd. all rights reserved 闽ICP备05026600号 中机标准化研究院 BY:KEW

【网站地图】【sitemap】