金百博

金百博·(中国区)有限公司官网
金百博·(中国区)有限公司官网

Technical article

Home - News - Technical article

How to make your equipment meet the right rotary joint?

Time: 2018-08-17    View: 6345    Burst: 

In recent years, with the continuous development of various industries, the requirements for rotary joints have become higher and higher. How to choose a suitable rotary joint for the equipment and make the production line operate more safely and effortlessly is the hope and wish of every user. Today, Minxuan Technology will share with you a few basic methods on how to choose the right rotary joint for your equipment, so that your equipment meets the right rotary joint.

1. Confirmation of technical parameters
To choose a suitable rotary joint, we must first confirm that the technical parameters (usage parameters) of the rotary joint are the prerequisite for the basic guarantee, including the medium, temperature, speed and pressure. That is, what medium is the rotary joint that you want to buy, such as water, oil, steam or air and other fluid media? What is the temperature of the medium? What is the pressure of the pipeline and the rotation speed of the equipment? Through these four basic technical elements, the applicable rotary joint type is roughly confirmed.

2. Confirmation of medium flow direction
After the technical parameters of the rotary joint are confirmed, the flow direction of the medium must be confirmed next. The medium flow direction of the rotary joint is divided into single-channel, double-channel and multi-channel, which is determined according to the structure of the equipment connected with the rotary joint:
1) If the structure of the device determines that the input medium and output medium are implemented on both sides of the device, then a single-channel rotary joint is selected.
Single channel
Is used to supply a fluid medium such as cooling water, oil or steam to one end of the rotating roller, drum, cylinder, etc., and discharge it from the opposite end.



金百博·(中国区)有限公司官网

2) If the structure of the equipment determines that the input medium and output medium are realized on the same side of the equipment, then a double-channel type rotary joint is selected.
Note: Double-pass rotary joints also need to confirm the inner tube form, that is, fixed or rotary. According to different working conditions, carry out targeted matching.
①Double-channel inner tube fixed type
Is used to supply steam or water or oil to the rotating roller, cylinder or drum, and discharge it from the same end.



金百博·(中国区)有限公司官网

②Fixed dual-channel inner tube
The difference of this type is that there is a siphon pipe in the dryer, and the condensed water is discharged through the siphon pipe. This type is mostly used for steam.



金百博·(中国区)有限公司官网

③Double-channel inner tube rotating type
When supplying or discharging water, steam, hot water, or hot oil to or from rotating rollers, cylinders, drums, etc., it is used when the inner tube must also be rotated together.



金百博·(中国区)有限公司官网

3) If the equipment requires multiple media to be transported at the same time or the media is output to multiple locations, a multi-channel rotary joint should be considered.

金百博·(中国区)有限公司官网

One of the multi-channel rotary joints

3. Confirmation of the connection form and size of the rotary joint
Rotary joint is a fluid dynamic sealing device that transports fluid media from a fixed pipeline to a pipeline or equipment that rotates or swings at an angle. It plays an important role in connection and sealing between dynamic equipment and static pipelines. Its connection form and size, The final decision is whether the rotary joint that you buy can "fit" your equipment.
Therefore, first determine whether it is a threaded connection or a flange connection according to the connection structure of the equipment and the rotary joint. If a threaded rotary joint is selected, it is necessary to distinguish between external and internal threads, and specify the direction of rotation of the equipment (if the installation is rotating If it is observed that the equipment is running clockwise on one side of the joint, the rotary joint should be left-handed thread, and vice versa.) If flange connection is selected, the flange connection form needs to be confirmed, which can be roughly divided into internal threaded flange connection , Quick-change flange connection (bayonet flange), welding flange connection, integral flange connection.



金百博·(中国区)有限公司官网


金百博·(中国区)有限公司官网

After confirming the connection method of the rotary joint, it is necessary to confirm the connection size, that is, the connection size of the rotary joint and the equipment, and the inner tube size of the dual-channel rotary joint is also required. If it is a threaded connection, the diameter, outer diameter and pitch of the rotary joint need to be confirmed; if it is a flange connection, confirm the corresponding size according to the flange connection form.
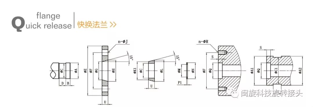
Example: Quick-change flange connection confirmation dimension drawing


金百博·(中国区)有限公司官网

In addition, the form and size of the connection between the rotary joint and the metal hose must be provided.

金百博·(中国区)有限公司官网

4. Other considerations
To select a suitable rotary joint, in addition to confirming the above three elements, other comprehensive factors can also be considered, such as the brand of the rotary joint, the manufacturer’s service, after-sales, and the delivery date, so as to maximize the efficiency of the rotary joint. And use it comfortably and comfortably.
Finally, when you want to choose or buy a rotary joint, you must clearly know where the rotary joint is used, the technical parameters (if there is a label on the rotary joint, you can directly report it to the manufacturer, which is more convenient for direct selection and reference), whether For other special requirements, communicate more with related parties in order to purchase the most suitable rotary joint.


金百博·(中国区)有限公司官网

Every encounter is the best arrangement in the destiny. Providing your equipment with the best product for the safe delivery of fluid media is the direction of our efforts. Love and trust must be operated with heart and waited with heart. Minxuan Technology Willing to escort your production line and walk the road of happiness with you.

Copyright ?Fujian Minxuan Technology Co., Ltd. all rights reserved 闽ICP备05026600号 中机标准化研究院 BY:KEW

【网站地图】【sitemap】